
Honda Xr200 Wiring Diagram, Skygo150 Voltage Regulator for XR200/Actual Wiring/Honda XR200 Modified/Supermoto/DIY Garage PH, 10.03 MB, 07:18, 10,383, D I Y Garage PH, 2021-01-23T08:48:03.000000Z, 19, Iam looking for a 1982 honda xr200 wiring diagram, www.justanswer.com, 904 x 703, jpeg, wiring diagram 1982 honda xr200 xt200 yamaha manual iam motorcycle looking 1981 mechanic bikee wire, 20, honda-xr200-wiring-diagram, Anime Arts
The latest innovation for early detection of smoke and products of combustion present in air moving through hvac ducts in commercial and industrial applicati. Do not use looped wire under terminals. Break wire run to provide for proper supervision of. It will reduce you to review it every time you need.
Complete wiring details permanently attached to unit; Designed and manufactured in the usa. Mfd all stated specification are subjected to change without notice or obligation. Thursday, september 4, 2014. 1. 9l vin 8, engine performance wiring diagrams (1 of 3) for saturn sl 2000. Get access all wiring diagrams car. In a typical class b fire alarm configuration wire one wire from your fire alarm panel to terminal 13 and the other to 14. Make a wire jumper from terminal 13 to terminal 5 and place your end of line resistor to terminals 14 and 15. For applications of multiple duct smoke detectors on a single fire alarm circuit, all.
INSTALLATION GUIDE - SL-2000

Wiring Diagram For 2000 Cadillac Sl - Complete Wiring Schemas
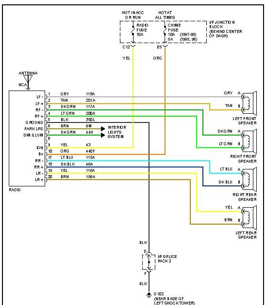
2000 Saturn Sl Stereo Wiring Diagram - Wiring Diagram and Schematic
2000 Saturn Sl Stereo Wiring Diagram - Wiring Diagram and Schematic

2000 Saturn Sl Stereo Wiring Diagram - Wiring Diagram and Schematic

Saturn Wiring Diagrams / I have a 2000 Saturn SL that is not getting any power to the fuel pump
2000 Saturn Sl Stereo Wiring Diagram - Wiring Diagram and Schematic
Wiring Diagram For 2000 Cadillac Sl - Complete Wiring Schemas

Mercedes Sl Fuse Box Diagram - Sl500 Wiring Diagram R230 - Wiring Diagram and Schematic - Fuse
